Stromwandler CT
Wundtyp 5p10 5p20 Ct 100 150 400 5a
  • Wundtyp 5p10 5p20 Ct 100 150 400 5aWundtyp 5p10 5p20 Ct 100 150 400 5a

Wundtyp 5p10 5p20 Ct 100 150 400 5a

Um qualitativ hochwertige Potenzialtransformatoren und Stromtransformatoren zu liefern, unterstützt Wenzhou XiFa Electric Power Equipment Co., Ltd seinen Kunden maßgeschneiderten Service, wie z. B. die Produktion und Lieferung von gewickelten Typ 5p10 5p20 ct 100 150 400 5a. Bei WenZhou XiFa Electric hält das Produktionsteam den Bestand an Stromtransformatoren normaler Bauart, wie z. B. einem Stromtransformator 100/5a 10p10 0,5, vor, um eine schnelle Lieferung sicherzustellen. Das Unternehmen bietet jedoch maßgeschneiderte Dienstleistungen an, um den unterschiedlichen Strombedarf zu decken, wie z. B. Versorgungsstromtransformatoren mit der Schutzklasse 5p10 oder 5p20.

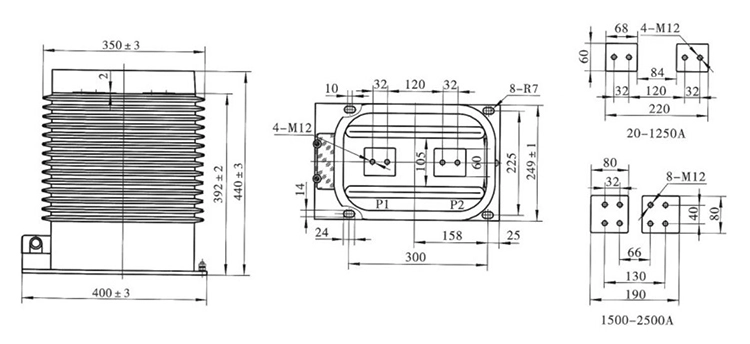
Der gewickelte Stromwandler ist für die zuverlässige Strommessung und den Schutz in Mittelspannungsnetzen wie 10 kV, 20 kV und 35 kV ausgelegt. Dieser gewickelte Typ 5p10 5p20 ct 100 150 400 5a ist in den Stromverhältnissen 100/5A, 150/5A und 400/5A und mit den Schutzgenauigkeitsklassen 5P10 und 5P20 erhältlich und bietet einen präzisen Sekundärstromausgang, der sowohl für Mess-, Mess- als auch Schutzrelaisanwendungen geeignet ist.

Der mit massiven Magnetkernen und Sekundärspulen gefertigte gewickelte Stromtransformator gewährleistet eine stabile Leistung unter Kurzschlussbedingungen und liefert eine genaue Stromumwandlung auch bei transienten Ereignissen. Sein robustes Isolationssystem, das oft Epoxidharz oder hochwertiges Harz enthält, sorgt für Sicherheit, lange Lebensdauer und Beständigkeit gegen Feuchtigkeit und Umwelteinflüsse.

Das gewickelte Design ermöglicht eine flexible Installation in Schaltanlagen, Schalttafeln und Verteilertafeln und bietet so eine zuverlässige Unterstützung für Relaisschutzsysteme. Der gewickelte Stromtransformator ist ideal für Industrieanlagen, Gewerbeanlagen und Versorgungsverteilungsnetze, in denen eine genaue und zuverlässige Strommessung sowohl für die Betriebsüberwachung als auch für die Schutzsteuerung unerlässlich ist.

Wound Type 5p10 5p20 Ct 100 150 400 5a

Technische Spezifikation:

Typ Primärer Nennstrom (A) Genauigkeitsklasse Genauigkeitsklasse und Nennleistung cosΦ=0,8 Kurzfristiger thermischer Strom (kA/s) Dynamischer Nennstrom (kA)
0,2 (s) 0,5 (s) 10P10
LZZBJ9-35 20-100 0,2/0,2 0,2/0,5 0,2/5P20 0,5/5P20 0,2/0,5/5P 0,2/5P/5P 10 10 15 150I1n 375I1n
150-200 31.5 80
300-500 31,5/2 80
600-1250 15 30 20 31,5/4 80
1500-2000 20 40 30 40/4 125
2500 20 40 20 40/4 125


Typ Primärer Nennstrom (A) Genauigkeitsklasse Kapazität (VA) Kurzfristiger thermischer Strom (kA/s) Dynamischer Nennstrom (kA)
LZZBJ9-35 10 0,2/10P10 0,5/10P10 0,2/5P20 0,5/5P20 0,2/0,5/10P10 0,2/0,5/5P20 0,2/10P10/5P20 0,5/10P10/5P20 15/20 20/20 15/20 20/20 15/20/20 15/20/20 15/20/20 20/20/20 1,5/1 3.75
20 2/1 5
30 3/1 7.5
40 4/1 10
50 5/1 12.5
75 7,5/1 18.75
100 10/1 25
150 15/1 37.5
200 20/1 50
300 31,5/1 80
400 31,5/2 80
500 31,5/2 80
600 31,5/2 80
800 31,5/3 80
1000 31,5/3 80
1200 31,5/3 80
1500 31,5/3 80
2000 31,5/3 80

Wound Type 5p10 5p20 Ct 100 150 400 5a

Produkt-FAQ:

F: Was bedeutet „Wundtyp 5P10“ oder „5P20“ bei einem Wundtyp 5p10 5p20 ct 100 150 400 5a?

A: Der Begriff „gewickelter Typ“ bezieht sich auf Stromwandler, bei denen der Primärleiter eine gewickelte Wicklung und keine Sammelschiene oder Schiene durch den Kern ist. Die Klasse 5P10 oder 5P20 gibt die Schutzgenauigkeit an: 5P bedeutet bis zu 5 % Fehler beim sekundären Nennstrom, und die Zahl 10 oder 20 ist das maximal zulässige kurzzeitige Vielfache des primären Nennstroms, ohne den angegebenen Fehler zu überschreiten.

F: Wie wähle ich die richtige CT-Bewertung für mein System aus?

A: Wählen Sie einen Stromwandler basierend auf dem maximalen Laststrom und den Schutzanforderungen Ihres Systems aus. Beispielsweise eignet sich ein 100/5-A-Stromwandler für Stromkreise mit typischen Strömen um 100 A, während 400/5 A für Einspeisungen mit höherem Strom ausgelegt ist. Wählen Sie eine Schutzklasse (5P10 oder 5P20) entsprechend der Fehlererkennungsempfindlichkeit des Relais und dem erwarteten Kurzschlussstrom.

F: Welche Umgebungsbedingungen kann der Wundtyp 5p10 5p20 ct 100 150 400 5a bewältigen?

A: Diese gewickelten Stromwandler sind typischerweise für Umgebungstemperaturen von –10 °C bis +40 °C ausgelegt, bei einer maximalen Höhe von 1000 m. Gehäusematerialien und Isoliersysteme sind für einen feuchtigkeits-, staub- und verschmutzungsbeständigen Betrieb ausgelegt, um eine zuverlässige Schutzleistung in Industrie- und Versorgungsumgebungen zu gewährleisten.




Hot-Tags: Wundtyp 5p10 5p20 Ct 100 150 400 5a, Stromwandlerlieferant, Messtransformatoren Großhandel
Anfrage absenden
Kontaktinformation

Um Ihr Angebot so schnell wie möglich zu erhalten

XiFa – Ihr zuverlässiger Elektrogerätelieferant
X
Wir verwenden Cookies, um Ihnen ein besseres Surferlebnis zu bieten, den Website-Verkehr zu analysieren und Inhalte zu personalisieren. Durch die Nutzung dieser Website stimmen Sie der Verwendung von Cookies zu. Datenschutzrichtlinie
Ablehnen Akzeptieren