Potentialtransformator PT
13,8-kV-Einphasen-Potenzialtransformator im Umspannwerk
  • 13,8-kV-Einphasen-Potenzialtransformator im Umspannwerk13,8-kV-Einphasen-Potenzialtransformator im Umspannwerk

13,8-kV-Einphasen-Potenzialtransformator im Umspannwerk

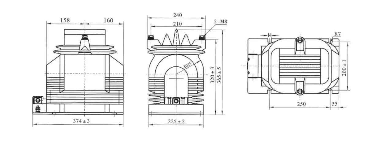
Um einen zuverlässigen einphasigen 13,8-kV-Potenzialtransformator in einem Umspannwerk herzustellen, verwendet Wenzhou XiFa Electric Power Equipment Co., Ltd hochwertiges CRGO-Elektrostahl als Hauptmaterial des Kerns, um den Verlustwert zu reduzieren und die Genauigkeitsklasse zu verbessern, sowie hochfesten emaillierten Kupferdraht als Hauptmaterial der Spule, um das Windungsverhältnis und die Windungsisolation durch Präzisionswicklung sicherzustellen. Jeder 13,8-kV-Einphasen-Potenzialtransformator in Umspannwerken nutzt zunehmend den Herstellungsprozess des Epoxidharz-Vakuumgusses, um eine insgesamt verfestigte Struktur zu schaffen, die nicht leicht Feuchtigkeit aufnimmt und für heiße, feuchte und staubige Umgebungen geeignet ist.

Produktmerkmale:

Ein einphasiger 13,8-kV-Potenzialtransformator in einem Umspannwerk dient dazu, die Primärspannung von 13,8 kV auf eine Standard-Sekundärspannung wie 100 oder 110 Volt herunterzutransformieren. Die reduzierte Spannung wird dann den Parallelwicklungen zugeführt, um Messgeräte und Schutzrelais zu versorgen, sodass Primärspannungsmessungen indirekt mit Niederspannungsmessgeräten durchgeführt werden können. Ein solcher Ansatz vereinfacht das Instrumentendesign, spart Kosten und gewährleistet die Sicherheit sowohl der Ausrüstung als auch des Bedienpersonals.


Das Funktionsprinzip eines 13,8-kV-Einphasen-Potentialtransformators ist das gleiche wie bei einem Energieverteilungstransformator, dessen Übersetzungsverhältnis durch die Anzahl der Windungen in der Primär- und Sekundärspule bestimmt wird. Durch Erhöhen der Anzahl sekundärer Windungen wird das Verhältnis verringert, durch Erhöhen der Anzahl primärer Windungen wird es erhöht. Es ist wichtig zu beachten, dass der Sekundärkreis eines 13,8-kV-Einphasen-Potenzialtransformators während des Betriebs unter keinen Umständen kurzgeschlossen werden darf.

13 8 Kv Single Phase Potential Transformer In Substation

Technische Spezifikation:

Typ Nennspannungsverhältnis (kV) Genauigkeitsklasse Genauigkeitsklasse und Nennleistung cosΦ=0,8 Der Max. Leistung (VA)
0.2 0.5 1 6(P)
JDZ11-15 (15/√3)/(0,1/√3)/(0,1/3) 0,2/6P 0,5/6P 1/6P 30 80 150 100 400
JDZ11-20 (20/√3)/(0,1/√3)/(0,1/3)
JDZ11-15 (15/√3)/(0,1/√3)/(0,1/√3)/(0,1/3) 0,2/0,2/6P 0,2/0,5/6P 15 20 N / A 100 2*200
JDZX11-20 (20/√3)/(0,1/√3)/(0,1/√3)/(0,1/3)

13 8 Kv Single Phase Potential Transformer In Substation

Produkt-FAQ:

F: Wie unterscheidet sich ein einphasiger 13,8-kV-Potentialtransformator von einem 13,8-kV-Leistungstransformator?

A: Während es sich bei beiden um Spannungswandler handelt, ist ein einphasiger 13,8-kV-Potenzialtransformator eher für die Messung und den Schutz als für die Leistungsübertragung konzipiert. Seine Nennlast ist relativ gering und wird normalerweise in VA ausgedrückt, während Leistungstransformatoren Lasten in einem größeren Wert verarbeiten, der in kVA oder MVA gezählt wird.


F: Welche Isolationsmethoden werden bei einem 13,8-kV-Einphasen-Potenzialtransformator verwendet?

A: Die meistenPotentialtransformatorenVerwenden Sie bei diesem Spannungsniveau eine Epoxidharz-Gussisolierung für Inneninstallationen oder Porzellan-/Silikongehäuse für Außeninstallationen. Einige Konstruktionen verwenden eine Ölisolierung, um eine längere Lebensdauer und eine höhere Wärmekapazität zu erreichen.


F: Wie sollte ein einphasiger 13,8-kV-Potenzialtransformator in einem Umspannwerk angeschlossen werden?

A: Für die Phase-Erde-Messung wird die Primärseite des Spannungswandlers zwischen einer Phase und Erde angeschlossen. In einem dreiphasigen System kann ein Satz einphasiger Spannungswandler oder eine dreiphasige Spannungswandlereinheit verwendet werden, um die Spannungen zwischen Leitungen und zwischen Leitungen und Erde zu messen.


F: Welche Probleme können bei einphasigen 13,8-kV-Potenzialtransformatoren in Umspannwerken auftreten?

A: Zu den häufigsten Problemen gehören Isolationsverschlechterung, Ferroresonanz unter bestimmten Schaltbedingungen, Überhitzung aufgrund von Überlastung und offene Zustände im Sekundärkreis, die gefährlich hohe Spannungen verursachen können.



Hot-Tags: 13,8-kV-Einphasen-Potenzialtransformator im Umspannwerk-Lieferanten, Umspannwerk-Potenzialtransformator-Großhandel
Anfrage absenden
Kontaktinformation

Um Ihr Angebot so schnell wie möglich zu erhalten

XiFa – Ihr zuverlässiger Elektrogerätelieferant
X
Wir verwenden Cookies, um Ihnen ein besseres Surferlebnis zu bieten, den Website-Verkehr zu analysieren und Inhalte zu personalisieren. Durch die Nutzung dieser Website stimmen Sie der Verwendung von Cookies zu. Datenschutzrichtlinie
Ablehnen Akzeptieren