Potentialtransformator PT
33-kV-Hochspannungs-Einphasen-Potenzialtransformator
  • 33-kV-Hochspannungs-Einphasen-Potenzialtransformator33-kV-Hochspannungs-Einphasen-Potenzialtransformator

33-kV-Hochspannungs-Einphasen-Potenzialtransformator

Wenzhou XiFa Electric Power Equipment Co., Ltd ist ein erfahrener Hersteller für die Herstellung von einphasigen 33-kV-Hochspannungs-Potenzialtransformatoren und Stromtransformatoren. Wenzhou XiFa verwendet hochwertiges Harz, um eine bessere Isolationsleistung zu erzielen, beispielsweise einen Langzeitbetrieb unter Hochspannung ohne Durchschlag oder Teilentladung. Jeder 33-kV-Hochspannungs-Einphasen-Potenzialtransformator muss unter Vakuumbedingungen mit Epoxidharz vergossen werden, um eine längere Lebensdauer von 20 oder 30 Jahren zu erreichen. Vor der Lieferung müssen unbedingt die grundlegenden technischen Spezifikationen gemessen werden, z. B. Spannungsfestigkeit, Teilentladung, Isolationswiderstand, Genauigkeit, Polarität und Temperaturanstieg.

Produktmerkmale:

1. Strukturell kann ein 33-kV-Hochspannungs-Einphasen-Potenzialtransformator als Abwärtstransformator mit kleiner Kapazität und hohem Übersetzungsverhältnis betrachtet werden. Im Gegensatz zu einem Leistungstransformator ist  aPotentialtransformatorüberträgt keine Energie zur Lastversorgung. Stattdessen spielt es eine wichtige Rolle bei der Messung und dem Schutz.

2. Der Sekundärkreis ist mit Messgeräten, Schutzrelais und automatischen Geräten verbunden, deren Spannungsspulen eine extrem hohe und im Wesentlichen konstante Impedanz aufweisen. Dadurch ist der Sekundärstrom minimal, ähnlich dem Leerlaufzustand eines Leistungstransformators. Der Stromverbrauch eines 33-kV-Hochspannungs-Einphasen-Potenzialtransformators ist extrem niedrig und die Sekundärspannung bleibt praktisch gleich der induzierten EMF, die durch die konstante Primärspannung bestimmt wird. Es gewährleistet die erforderliche Genauigkeit der Spannungsmessung.

3. Die Sekundärwicklung von Potenzialtransformatoren darf niemals kurzgeschlossen werden. Im Normalbetrieb ist die Last eines 33-kV-Hochspannungs-Einphasen-Potenzialtransformators ein Gerät mit hoher Impedanz. Wenn jedoch ein Kurzschluss auftritt, ist der einzige begrenzende Faktor die Impedanz der Wicklung. Dies kann zu einem übermäßig hohen Kurzschlussstrom führen, der zu falschen Zählerständen, falschen Relaisbetätigungen oder sogar zu dauerhaften Schäden am Leistungstransformator führen kann.

4. Der Anschluss sowohl der Sekundärwicklung als auch der Nullwicklung muss geerdet sein. Ohne Erdung könnte ein Fehler im Primärsystem gefährlich hohe Spannungen an diesen Wicklungen induzieren, was ein ernstes Risiko für angeschlossene Instrumente, Relais und die Sicherheit von Personen darstellt.

33kv High Voltage Single Phase Potential Transformer

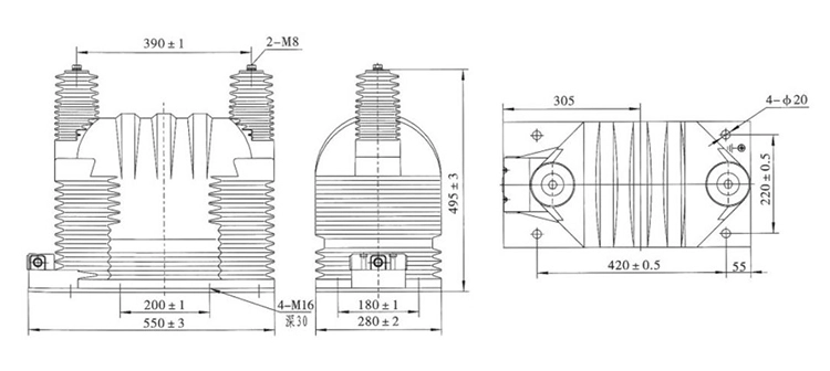
Technische Spezifikation:

Typ Nennspannungsverhältnis (kV) Genauigkeitsklasse Genauigkeitsklasse und Nennleistung cosΦ=0,8 Der Max. Leistung (VA)
0.2 0.5 1 3
JDZ9-35Q 35/0,1 0,2 0,5 1 3 30 120 240 600 1200
35/0,1/0,1 0,2/0,2(0,5) 30 30 N / A N / A 600
0,5/0,5 N / A 60

33kv High Voltage Single Phase Potential Transformer

Produkt-FAQ:

F: Wie hoch ist die Nennlast eines 33-kV-Hochspannungs-Einphasen-Potenzialtransformators?

A: Die Nennlast liegt je nach Anwendung im Allgemeinen zwischen 25 VA und 200 VA. Es sorgt für eine stabile Genauigkeit von Messgeräten und Schutzrelais, ohne den Transformator zu überlasten.


F: Wie ist der 33-kV-Hochspannungs-Einphasen-Potenzialtransformator geerdet?

A: Die Sekundärwicklung ist normalerweise an einem Punkt geerdet, um das Bezugspotential aufrechtzuerhalten und die Sicherheit zu gewährleisten. Dies trägt dazu bei, schwebende Spannungen zu vermeiden und das Risiko eines Isolationsversagens zu verringern.


F: Kann ein einphasiger Spannungswandler für eine dreiphasige Messung angeschlossen werden?

A: Natürlich. Bei einem Dreiphasensystem können drei einphasige Spannungswandler in einer Stern- oder offenen Dreiecksanordnung angeschlossen werden. Dies hängt davon ab, ob die Spannungen zwischen Phase und Erde überwacht werden müssen oder nicht.




Hot-Tags: Lieferant von 33-kV-Hochspannungs-Einphasen-Potenzialtransformatoren, Großhandel für Hochspannungs-Einphasentransformatoren, Hersteller von Industrie-Potenzialtransformatoren
Anfrage absenden
Kontaktinformation

Um Ihr Angebot so schnell wie möglich zu erhalten

XiFa – Ihr zuverlässiger Elektrogerätelieferant
X
Wir verwenden Cookies, um Ihnen ein besseres Surferlebnis zu bieten, den Website-Verkehr zu analysieren und Inhalte zu personalisieren. Durch die Nutzung dieser Website stimmen Sie der Verwendung von Cookies zu. Datenschutzrichtlinie
Ablehnen Akzeptieren